应用案例
APPLICATION CASES
电动工具
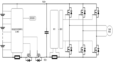
1、MOS产品在电动工具领域的应用分为三个部分:有刷电机的启动线路,一般选用低压平面工艺MOS产品和普通Trench工艺MOS产品;无刷电机的三相全桥驱动线路,一般选用低压超结工艺MOS产品和普通Trench工艺MOS产品;电动工具BMS保护线路,一般选用低压超结工艺MOS产品和普通Trench工艺MOS产品;
2、LDO以及DC-DC产品在BMS以及主控线路中都有相应需求。


语言选择
